Articles in the Ford Category
Ford »

In this page you can download the latest Ford Focus repair manual for free. No cost will be incurred to download any of the Ford Focus repair guide as they are available in PDF. In other words, these Ford Focus repair manuals are made available in eBook thus they are free for any Ford Focus owner to download. Before you begin to download any owners manual, service manual, or repair manual, you will need to download Adobe Reader to open these PDF files.
Ford, Shelby »

Keep surfing on the internet and you will definitely see something unprecedented such as this AC Cobra that shine bright like a diamond. The photos of this Ford/Shelby AC Cobra are uploaded by one of Carsut’s readers from London, United Kingdom. It is not surprise that London is one of the cities flooded with the most AC Cobra because this car was assembled in Surrey, England in between 1962 and 1967. During that time, another plant that assembles the Ford AC Cobra is located at Los Angeles, California, USA.
One AC …
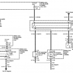
Ford »

Looking for free Ford wiring diagrams? Here you go. As these are the free wiring diagrams, they are not full version but they are part and parcel of owning a Ford car. These wiring diagrams are very handy when it comes to fixing an alternator, replacing a radio, repairing a car stereo, changing a tail light or adding an extra spotlight. Although they are incomplete version, they are very useful for those who own a Ford Focus, Ford Mondeo, Ford Fiesta, Ford Fusion, Ford Escape, Ford Taurus, Ford Edge, Ford …
Ford, Video »
[cvg-video videoId=’11’ width=’570′ height=’333′ mode=’playlist’ /]
This video is taken from the rear seat of a 2012 all-new Ford Focus at the 33rd Bangkok Motor Show. A projector is fitted few feet above the car and a short film is presented on the windscreen through a special set up. This is to show Ford Focus fans a brand new experience when they get into the interior. The on-screen film is started at 00:17. It gives a “high technology” feeling to people who sit inside the car. This video also clearly shows …
Car News, Car Reviews, Ford »
[imagebrowser id=6]
The 2012 all-new Ford Focus came out like a superstar at the 33rd Bangkok Motor Show. It is sweet and it is as sexy as those models stand beside. The third generation Focus is one of the highlights on the Ford stand during the shows other than the Ford Territory. It will be assembled at a new plant at Rayong province that is scheduled to open later this year in May. Many visitors at the Motor Show feel very eager to get the car after viewing it inside out. …